Устройство и принцип работы
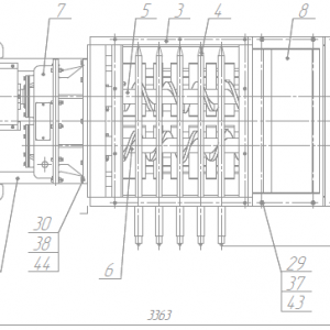
Дробилка ВДП-15 имеет два винта: дробящий и подающий. За счет наличия подающего винта к процессу дробления подступают только крупные фракции.
Топливо из бункера дробящим винтом передается стальному угледробителю, при этом мелкие фракции по пути отсеиваются и попадают сразу на транспортер, а дробятся только крупные. Такое разделение способствует избирательному дроблению, а, следовательно, и более равномерному топливному слою на выходе из дробилки.
В конструкции дробилки имеется специальное окно для осмотра и ремонта системы и штыковой затвор, блокирующий подачу угля из бункера, для удобства проведения ремонтных работ. Во избежание поломок при случайном попадании посторонних предметов, в муфте предусмотрен палец.
Условное обозначение
Дробилка ВДП-15 — винтовая дробилка-питатель, где 15 — это расчетная производительность по сырому топливу.
Особенности и преимущества
- Высокая производительность до 15 т/ч;
- Не требует вытяжки, так как дробление угля происходит внутри аппарата, и пыль не выходит наружу;
- Экономия за счет отсутствия необходимости приобретения готового фракционного топлива;
- Легкий монтаж, не требующий фундамента.
Размещение и установка
Дробилка ВДП-15 устанавливается в системах подачи топлива, перед системой транспортировки угля.
Эксплуатация и техническое обслуживание
Эксплуатация дробилки ВДП-15 требует регулярной смазки всех подвижных частей и регулярный осмотр на наличие поломок. Использование неисправного оборудования запрещено.
Установкой оборудования должны заниматься только квалифицированные работки, а также важно учитывать «Правила устройства электроустановок».
Комплектация
Дробилка ВДП-15 поставляется в заводской сборке и требует только монтажа. В комплект поставки входят винты, угледробители, электродвигатель, редуктор, коробка передач и корпус.












